
WT4-72型中高压防腐通风机
WT4-72型中高压防腐通风机是我司自主研发的一款高效率、高性能、低耗能环保风机。风机蜗壳和风轮采用模压一体成型,进出风都采用标准圆形接口(160、200、250、300)非常方便接标准的塑料管道。该系列风机为圆形接口单进风离心风机,采用后倾离心风轮与电机直连,客户可以根据自身需要调整出风口的角度。该系列风机具有强度高、效率高、能耗低、噪音低、重量轻、风量风压大、不易老化、运转平稳、耐腐蚀性能良好、便于安装等特点。用于输送或排放腐蚀性和高湿度的烟气、雾汽或化工酸碱异味气体。所输送气体不允许含有粘性物质、所含粉尘及硬质颗粒≤150mg/m3、气体温度≤60℃、相对湿度≤100%。WT4-72 medium pressure anti-corrosion fan
WT4-72 series medium and high pressure anticorrosive fan is a high efficiency, high performance, low energy consumption environmental protection fan independently developed by our company. The fan volute and the wind wheel are integrally molded, and the inlet and outlet winds are all equipped with standard circular interfaces (160, 200, 250, 300), making it easy to connect to standard plastic pipes. This series of fans are single-inlet centrifugal fans with a circular interface, which adopts a backward tilting centrifugal wheel directly connected to the motor. Customers can adjust the angle of the air outlet according to their needs. This series of fans have the characteristics of high strength, high efficiency, low energy consumption, low noise, light weight, large air volume and pressure, not easy to age, stable operation, good corrosion resistance, and easy installation. Used to transport or discharge corrosive and high humidity fumes, mist vapors or chemical acid-base offensive odor gases. The transported gas must not contain viscous substances, dust and hard particles ≤150mg/m3, gas temperature ≤60°C, and relative humidity ≤100%.|
机 号 Model(No) |
|||||
|---|---|---|---|---|---|
|
功 率 Power(Kw) |
转 速 Speed(r/min) |
流 量 Volume(M3/h) |
全 压 Pressure(Pa) |
噪 音 Noise(db) |
|
| 280A | 0.75 | 1450 | 843-455 | 83-291 | 64 |
| 1.1 | 2800 | 1630-880 | 313-1084 | 76 | |
| 320A | 0.75 | 1450 | 1597-714 | 94-366 | 65 |
| 1.1 | 1450 | 1657-785 | 112-425 | 68 | |
| 1.5 | 2800 | 3084-1378 | 352-1364 | 80 | |
| 360A | 1.1 | 1450 | 2347-1115 | 128-464 | 63 |
| 1.5 | 1450 | 2538-1243 | 136-512 | 65 | |
| 2.2 | 2800 | 4533-2154 | 478-1731 | 80 | |
| 400A | 1.1 | 1450 | 3400-1863 | 65-406 | 69 |
| 1.5 | 1450 | 3869-1940 | 78-497 | 70 | |
| 3 | 2800 | 6563-3597 | 243-1515 | 82 | |
| 500A | 1.5 | 1450 | 6329-4039 | 135-563 | 73 |
| 2.2 | 1450 | 6950-4307 | 156-635 | 75 | |
| 7.5 | 2800 | 12660-7354 | 543-2423 | 88 | |
| 600A | 1.1 | 960 | 7921-4154 | 79-396 | 68 |
| 3 | 1450 | 11964-6274 | 182-904 | 80 | |
| 4 | 1450 | 13768-6950 | 198-967 | 82 | |
| 5.5 | 1450 | 14580-7235 | 212-1023 | 85 |
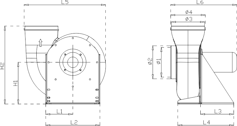
产品为人工实物测量会有一定误差,相关数据仅作参考,以收到的实物为准。 单位Unit: mm(毫米)
| 机号 | 入风口 Air inlet | 出风口 Vent | 底架尺寸 Frame size | 外形尺寸 Shape size | ||||||||
|---|---|---|---|---|---|---|---|---|---|---|---|---|
| NO | Φ1 | Φ2 | Φ3 | Φ4 | L1 | L2 | L3 | L4 | L5 | L6 | H1 | H2 |
| 2.8A | 175 | 200 | 200 | 215 | 177 | 354 | 205 | 165 | 558 | 456 | 290 | 536 |
| 3.2A | 215 | 250 | 240 | 260 | 204 | 408 | 250 | 213 | 615 | 498 | 315 | 588 |
| 3.6A | 270 | 315 | 305 | 325 | 223 | 446 | 280 | 270 | 670 | 568 | 345 | 695 |
| 4.0A | 360 | 400 | 380 | 405 | 254 | 508 | 300 | 327 | 534 | 821 | 400 | 800 |
| 5.0A | 455 | 500 | 480 | 505 | 304 | 608 | 300 | 385 | 1025 | 785 | 495 | 995 |
| 6.0A | 560 | 600 | 585 | 605 | 369 | 738 | 300 | 440 | 1234 | 873 | 590 | 1195 |
欢迎进入“万通风机”官方网站
Welcome to Wantong Xingfeng official website
![]() |
广州市万通通风设备有限公司 广州市万通通风设备有限公司(注册商标:万通星风)是一家研发、生产、销售、安装通风设备、大气污染防治设备的多元化专业性企业。产品广泛用于:电镀、化工、电子、电气、线路板、机械、电站、电厂、科研、医院、实验室、矿业、冶炼、橡胶、林业、皮革、纸业、陶瓷、模具车间、汽车制造,新能源机械等配套以及各种含有腐蚀性气体的场合。每一个产品都见证了万通的品质,让万通立足全国,走向世界!经过十几年发展“万通星风”已汇聚了一群技术精湛,经验丰富的专业技术人员,引进消化国内外先进技术,是国内拥有自主研发大气污染防治设备、防腐风机能力的厂家。“国际品质、万通打造” 全国服务热线: |
广州总公司
Guangzhou General Corporation
![]() |
销售电话: |
![]() |
官方网址: |
![]() |
电子邮箱:wantongfj@qq.com |
![]() |
![]() |
地址:广州市番禺区沙湾镇动车街33号之二 路线:广州地铁3号线到番禺广场站下,换乘公交车番68路、到古东村总站下。 |
|||
公司地图
Company map
咨询:WT4-72型通用防腐风机
* 为必填项
广州市万通通风设备有限公司
销售电话:
ONLINE CONSUL TATION