
WT-CF-II多翼式不锈钢离心通风机
WT-CF-II多翼式不锈钢离心风机是本公司为适应日益发展的净化工业及环保降噪的需要而设计制作的。风机在设计时采用噪声、效率等各项气动参数的多目标优化设计方法,实现了整机的最佳性能匹配。具有良好的气动性能,叶轮经严格的动平衡较正,故运转平稳、噪声低、流量大、振动小、寿命长等特点。广泛适用于单位食堂、宾馆酒楼饮食店等公共场所的厨房排风、抽>自烟或通风换气之用,并适宜在粮食机械、化工机械、塑料机械等生产设备上使用。用途广泛,适应性强。Multi-wings low noise centrifugal fan
DZ low-nolse mult-wing centrifugal fan Is designed to meet thegrowing needs of the purification industry and environmental noisereduction The fan uses mut-objective optimization design methodcombin ing to the noise, efficiency and other aerodynamic parame-ters, wh ich a ims to achleve the best performance. It has good aerody-namicperformance, stridcoftmeooperation, low noise, large fow, small vibration, long life and otheradvantages. It is widely used in the unit canteen, hotel Rstaurantrestaurants and other publlc places for kitchen exhausting. pumpingor ventiation. and Is also sultable for food machinery, chemicalmachinery. plastcmachianrqthe advantages of widely use and strong adaptability.|
机 号 Model(No) |
|||||
|---|---|---|---|---|---|
|
转 速 Speed(r/min) |
功 率 Power(Kw) |
机座号 Poles frame size-p |
流 量 Volume(M3/h) |
全 压 Total pressure(pa) |
|
| 160 | 2900 | 0.37-2 | Y71M-1 | 800-1080 | 900-700 |
| 190 | 1450 | 0.25-4 | Y71M-4 | 900-1080 | 280-210 |
| 2900 | 0.75-2 | Y80M-2 | 850-770 | 840-760 | |
| 200 | 2900 | 1.1-2 | Y80M-2 | 860-790 | 850-780 |
| 230 | 14500 | 0.37-4 | Y71M-4 | 1500 | 360 |
| 2900 | 1.5-2 | Y90S-2 | 3500 | 1250 | |
| 250 | 14500 | 0.55-4 | Y80M-4 | 2200-2500 | 450-380 |
| 2900 | 2.2-2 | Y90L-2 | 2700-4200 | 1470-1270 | |
| 2900 | 3-2 | Y100M-2 | 3500-4300 | 1500-1350 | |
| 270 | 14500 | 0.75-4 | Y80M-4 | 3200 | 410 |
| 2900 | 5.5-2 | Y132S-2 | 5440 | 1640 | |
| 300 | 1450 | 1.5-4 | Y90L-4 | 4000-4500 | 550-500 |
| 350 | 960 | 1.1-6 | Y90L-6 | 3600-4300 | 350-260 |
| 1450 | 3-2 | Y100L-2 | 5100-6700 | 1200-1000 | |
| 400 | 1450 | 2.2-6 | Y112M-6 | 9000-11000 | 600 |
| 450 | 960 | 3-6 | Y132S-6 | 10800 | 900-700 |
| 1450 | 7.5-4 | Y132M-4 | 1200-14000 | 1100-1000 | |
| 500 | 960 | 5.5-6 | Y132M-6 | 10000-14000 | 740-670 |
| 960 | 7.5-6 | Y160M-6 | 12500-16500 | 900-790 | |
| 600 | 960 | 7.5-6 | Y160M-6 | 19500-20500 | 910-790 |
| 960 | 11-6 | Y160L-6 | 20500-21800 | 1050-900 |
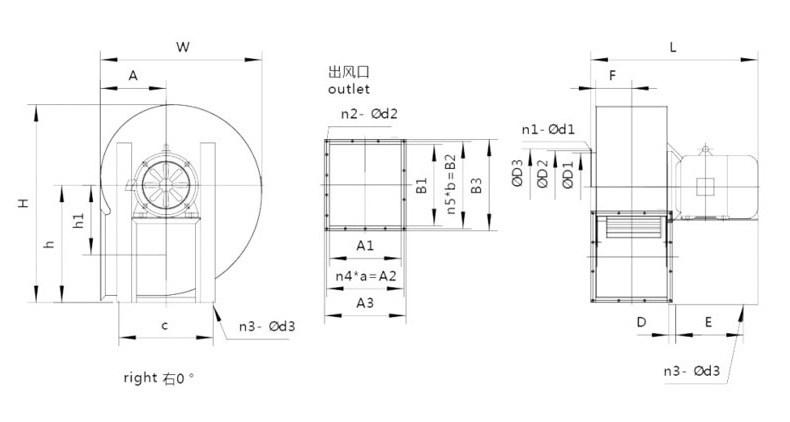
产品为人工实物测量会有一定误差,相关数据仅作参考,以收到的实物为准。 单位Unit: mm(毫米)
| 机号 | ||||||||||||||||
|---|---|---|---|---|---|---|---|---|---|---|---|---|---|---|---|---|
| 配用电机 | A | W | C | D | E | F | h1 | L | h | H | ||||||
| Model |
Equipped with motor |
0度/180 | 90度 | 0度 | 90度 | 180度 | 0度 | 90度 | 180度 | |||||||
| 160 | 0.37-2 | 132 | 281 | 323 | 190 | 30 | 100 | 83 | 117 | 347 | 205 | 160 | 138 | 332 | 292 | 333 |
| 190 | 0.25-4 | 152 | 338 | 397 | 210 | 30 | 120 | 104 | 143 | 386 | 250 | 200 | 172 | 408 | 352 | 410 |
| 0.75-2 | 424 | |||||||||||||||
| 200 | 1.1-2 | |||||||||||||||
| 230 | 0.37-4 | 183 | 397 | 458 | 230 | 30 | 120 | 110 | 157 | 397 | 285 | 230 | 198 | 467 | 413 | 437 |
| 1.5-2 | 445 | |||||||||||||||
| 250 | 0.55-4 | 200 | 436 | 495 | 230 | 40 | 120 150 | 110 | 161 | 435 | 305 | 250 | 215 | 502 | 453 | 511 |
| 2.2-2 | 470 | |||||||||||||||
| 3-2 | 505 | |||||||||||||||
| 270 | 0.75-4 | 213 | 464 | 432 | 260 | 40 | 120 | 120 | 165 | 460 | 330 | 270 | 232 | 543 | 493 | 549 |
| 5.5-2 | 230 | 180 | 595 | |||||||||||||
| 300 | 1.5-4 | 238 | 517 | 588 | 350 | 40 | 150 | 135 | 182 | 520 | 365 | 300 | 258 | 602 | 538 | 608 |
| 350 | 1.1-6 | 263 | 589 | 681 | 230 | 40 | 120 | 135 | 226 | 520 | 415 | 350 | 301 | 691 | 63 | 704 |
| 3-2 | 230 | 120 | 555 | |||||||||||||
| 400 | 2.2-6 | 283 | 655 | 774 | 260 | 40 | 150 | 142 | 279 | 584 | 480 | 400 | 344 | 796 | 683 | 801 |
| 450 | 3-6 | 315 | 734 | 867 | 300 | 40 | 180 | 175 | 332 | 690 | 535 | 450 | 387 | 890 | 765 | 897 |
| 7.5-4 | 350 | 220 | 730 | |||||||||||||
| 500 | 5.5-6 | 353 | 818 | 970 | 350 | 40 | 220 | 241 | 338 | 861 | 600 | 500 | 430 | 995 | 853 | 1003 |
| 7.5-6 | ||||||||||||||||
| 600 | 7.5-6 | 438 | 996 | 1156 | 410 | 50 | 250 | 241 | 405 | 936 | 705 | 600 | 516 | 1179 | 1038 | 1196 |
| 11-6 | 300 | 981 | ||||||||||||||
| 机号 | |||||||||||||||
|---|---|---|---|---|---|---|---|---|---|---|---|---|---|---|---|
| 配用电机 | 进风口尺寸 Air inlet | 出风口尺寸 Vent | |||||||||||||
| Model |
Equipped with motor |
D1 | D2 | D3 | n1-d1 | A1 | A2 | n4*a | A3 | B1 | B2 |
n5*b |
B3 | n2-Φd2 | n3-Φd3 |
| 160 | 0.37-2 | 110 | 135 | 160 | 8-Φ8 | 90 | 116 | 2*58 | 140 | 105 | 130 | 2*65 | 155 | 8-Φ8 | 4-Φ10 |
| 190 | 0.25-4 | 140 | 165 | 190 | 8-Φ8 | 125 | 150 | 2*75 | 175 | 140 | 166 | 2*83 | 190 | 8-Φ8 | 4-Φ10 |
| 200 | 0.75-2 | ||||||||||||||
| 230 | 1.1-2 | 170 | 200 | 230 | 8-Φ8 | 135 | 166 | 2*83 | 195 | 175 | 206 | 2*103 | 235 | 8-Φ8 | 4-Φ10 |
| 0.37-4 | |||||||||||||||
| 250 | 0.55-4 | 190 | 220 | 250 | 8-Φ8 | 135 | 166 | 2*83 | 195 | 210 | 240 | 3*80 | 270 | 10-Φ8 | 4-Φ10 |
| 2.2-2 | |||||||||||||||
| 3-2 | |||||||||||||||
| 270 | 3-2 | 220 | 250 | 280 | 8-Φ8 | 165 | 200 | 2*100 | 225 | 245 | 279 | 3*93 | 305 | 10-Φ8 | 4-Φ10 |
| 0.75-4 | |||||||||||||||
| 300 | 5.5-2 | 220 | 250 | 280 | 8-Φ8 | 185 | 200 | 2*110 | 245 | 275 | 309 | 3*103 | 335 | 10-Φ8 | 4-Φ10 |
| 1.5-4 | |||||||||||||||
| 350 | 1.1-6 | 270 | 300 | 330 | 8-Φ8 | 185 | 220 | 2*110 | 245 | 295 | 330 | 3*110 | 355 | 10-Φ8 | 4-Φ10 |
| 3-4 | |||||||||||||||
| 400 | 4-4 | 300 | 330 | 360 | 8-Φ8 | 200 | 236 | 2*118 | 260 | 295 | 330 | 3*110 | 355 | 10-Φ10 | 4-Φ12 |
| 400 | 2.2-6 | ||||||||||||||
| 450 | 3-6 | 330 | 365 | 400 | 8-Φ10 | 245 | 280 | 2*140 | 305 | 295 | 330 | 3*110 | 355 | 10-Φ10 | 4-Φ12 |
| 7.5-4 | |||||||||||||||
| 500 | 5.5-6 | 360 | 395 | 430 | 8-Φ10 | 375 | 420 | 2*140 | 455 | 390 | 435 | 3*145 | 470 | 12-Φ10 | 4-Φ12 |
| 7.5-6 | |||||||||||||||
| 550 | 5.5-6 | 400 | 435 | 470 | 8-Φ10 | 375 | 420 | 2*140 | 455 | 470 | 510 | 3*170 | 550 | 12-Φ10 | 4-Φ12 |
| 7.5-6 | |||||||||||||||
| 600 | 7.5-6 | 500 | 535 | 570 | 8-Φ10 | 375 | 420 | 2*140 | 455 | 470 | 510 | 3*170 | 550 | 12-Φ10 | 4-Φ15 |
| 11-6 | 4-Φ15 | ||||||||||||||
欢迎进入“万通风机”官方网站
Welcome to Wantong Xingfeng official website
![]() |
广州市万通通风设备有限公司 广州市万通通风设备有限公司(注册商标:万通星风)是一家研发、生产、销售、安装通风设备、大气污染防治设备的多元化专业性企业。产品广泛用于:电镀、化工、电子、电气、线路板、机械、电站、电厂、科研、医院、实验室、矿业、冶炼、橡胶、林业、皮革、纸业、陶瓷、模具车间、汽车制造,新能源机械等配套以及各种含有腐蚀性气体的场合。每一个产品都见证了万通的品质,让万通立足全国,走向世界!经过十几年发展“万通星风”已汇聚了一群技术精湛,经验丰富的专业技术人员,引进消化国内外先进技术,是国内拥有自主研发大气污染防治设备、防腐风机能力的厂家。“国际品质、万通打造” 全国服务热线: |
广州总公司
Guangzhou General Corporation
![]() |
销售电话: |
![]() |
官方网址: |
![]() |
电子邮箱:wantongfj@qq.com |
![]() |
![]() |
地址:广州市番禺区沙湾镇动车街33号之二 路线:广州地铁3号线到番禺广场站下,换乘公交车番68路、到古东村总站下。 |
|||
公司地图
Company map
咨询:WT-CF-II型不锈钢多翼式风机
* 为必填项
广州市万通通风设备有限公司
销售电话:
ONLINE CONSUL TATION