
不锈钢4-72A\D型离心通风机
不锈钢4-72A\D型离心通风机可输送空气和其他不自燃的、对人体无害的、对钢材无腐蚀性的气体。气体内不允许有粘性物质,所含尘土及硬质颗粒物不大于150mg/m。气体温度不得超过80℃。该风机广泛适用于工矿企业、大型建筑物、宾馆酒楼等室内通风换气排烟。Stainless steel 4-72A\D centrifugal fan
Stainless steel 4-72A\D centrifugal fan can transport air, non spontaneous gas, harmless gas. and non-corrosive gas Gas does not allow the sticky materian theconcentration of containing dust and nard particles isnot larger than 150mg!m3 The gas temperatureshould not exceed 80℃. The fan is widely used inthe ventilation of industrial and mining enterprises, large bulldings. hotels and other indoor places.|
机 号 Model(No) |
|||||
|---|---|---|---|---|---|
|
转 速 Speed(r/min) |
功 率 Power(Kw) |
机座号 Poles frame size-p |
流 量 Volume(M3/h) |
全 压 Total pressure(pa) |
|
| 2.5A | 2900 | 0.75-2 | 80M-2 | 805-1677 | 792-483 |
| 2.8A | 2900 | 1.5-2 | 90S-2 | 1131-2356 | 994-606 |
| 3.2A | 2900 | 2.2-2 | 90L-2 | 1688-3517 | 1300-792 |
| 1450 | 1.1-4 | 90S-4 | 844-1758 | 324-198 | |
| 3.6A | 2900 | 3.0-2 | 100L-2 | 2664-5268 | 1578-989 |
| 1450 | 1.1-4 | 90S-4 | 1332-2634 | 393-247 | |
| 4A | 2900 | 5.5-2 | 132S-2 | 4012-7419 | 2014-1320 |
| 1450 | 1.1-4 | 90S-4 | 2006-3709 | 501-329 | |
| 4.5A | 2900 | 7.5-2 | 132S-2 | 5712-10562 | 2554-1571 |
| 1450 | 1.1-4 | 90S-4 | 2856-5281 | 634-416 | |
| 5A | 2900 | 15.0-2 | 160M-2 | 7728-15455 | 3187-2019 |
| 1450 | 2.2-4 | 100L-4 | 3864-7728 | 790-502 | |
| 5.6A | 1450 | 3.0-4 | 100L-4 | 7061-9885 | 957-759 |
| 6A | 1450 | 4.0-4 | 112M-4 | 6677-13353 | 1139-724 |
| 960 | 1.5-6 | 100L-6 | 4420-8841 | 498-317 | |
| 6.3A | 1450 | 5.5-4 | 132S-4 | 8052-13028 | 1239-921 |
| 960 | 1.5-6 | 100L-6 | 5331-8626 | 542-403 | |
| 7.1A | 1450 | 11.0-4 | 160M-4 | 12676-20513 | 1572-1168 |
| 960 | 3.0-6 | 132S-6 | 8392-13581 | 689-512 | |
| 6D | 1450 | 4.0-4 | 112M-4 | 6677-13353 | 1572-1168 |
| 960 | 1.5-6 | 100L-66 | 4420-8841 | 498-317 | |
| 8D | 1450 | 18.5-4 | 180M-4 | 15826-29344 | 2032-1490 |
| 960 | 5.5-6 | 132M-6 | 10478-19428 | 887-651 | |
| 730 | 3.0-8 | 132M-8 | 7968-14773 | 512-376 | |
| 10D | 1450 | 55-4 | 250M-4 | 40441-56605 | 3202-2532 |
| 960 | 18.5-6 | 200L-6 | 26775-37476 | 1395-1104 | |
| 730 | 7.5-8 | 160L-8 | 20360-28497 | 805-637 | |
| 12D | 960 | 45.0-6 | 280S-6 | 46267-64759 | 2013-1593 |
| 730 | 18.5-8 | 225S-8 | 35182-49244 | 1160-919 |
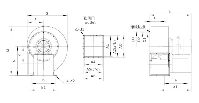
产品为人工实物测量会有一定误差,相关数据仅作参考,以收到的实物为准。 单位Unit: mm(毫米)
| 机号 | ||||||||||||||
|---|---|---|---|---|---|---|---|---|---|---|---|---|---|---|
| 进风口尺寸 Air inlet | 出风口尺寸 Vent | |||||||||||||
| NO | D1 | D2 | D3 | 螺栓 | 个数 | A1 | A2 | A3 | A4 | A5 | A6 | a*b | c*d | n1-d1 |
| 2.5 | 248 | 280 | 309 | M6 | 8 | 209 | 237 | 266 | 171 | 200 | 228 | 79*3 | 100*2 | 10-Φ11 |
| 2.8 | 282 | 310 | 333 | M6 | 8 | 228 | 259 | 286 | 200 | 228 | 260 | 64*4 | 77*3 | 14-Φ11 |
| 3.2 | 325 | 252 | 370 | M6 | 6 | 255 | 286 | 313 | 218 | 247 | 280 | 74*4 | 84*3 | 14-Φ11 |
| 3.6 | 368 | 387 | 413 | M8 | 16 | 294 | 324 | 352 | 250 | 278 | 310 | 81*4 | 70*4 | 16-Φ11 |
| 4 | 409 | 437 | 460 | M8 | 16 | 329 | 360 | 388 | 285 | 315 | 340 | 72*5 | 79*4 | 18-Φ11 |
| 4.5 | 446 | 492 | 515 | M8 | 16 | 363 | 395 | 422 | 320 | 348 | 380 | 78*5 | 88*4 | 18-Φ11 |
| 5 | 500 | 540 | 565 | M8 | 16 | 405 | 435 | 464 | 356 | 384 | 416 | 109*4 | 97*4 | 18-Φ11 |
| 5.6 | 562 | 593 | 624 | M8 | 16 | 450 | 497 | 531 | 370 | 422 | 485 | 80*6 | 88*5 | 18-Φ11 |
| 6 | 603 | 640 | 660 | M8 | 16 | 483 | 532 | 563 | 427 | 478 | 508 | 106.4*5 | 95.6*5 | 20-Φ11 |
| 6.3 | 640 | 667 | 698 | M8 | 16 | 494 | 542 | 566 | 441 | 485 | 509 | 108*5 | 97*5 | 20-Φ11 |
| 7.1 | 730 | 755 | 795 | M8 | 16 | 568 | 621 | 662 | 497 | 554 | 593 | 125*5 | 110*5 | 20-Φ11 |
| 机号 | ||||||||||||
|---|---|---|---|---|---|---|---|---|---|---|---|---|
| 外形及安装尺寸 Shape and installation dimensions | ||||||||||||
| Model | G | M | F | L | N | K | E | a | b | a1 | b1 | d2 |
| 2.5 | 416 | 520 | 171 | 450 | 320 | 175 | 88 | 200 | 225 | 260 | 250 | Φ10 |
| 2.8 | 477 | 600 | 210 | 480 | 350 | 197 | 174 | 100 | 256 | 320 | 280 | Φ10 |
| 3.2 | 546 | 670 | 236 | 530 | 400 | 230 | 195 | 110 | 255 | 340 | 280 | Φ10 |
| 3.6 | 599 | 752 | 253 | 600 | 450 | 253 | 222 | 123 | 275 | 360 | 300 | Φ10 |
| 4 | 680 | 810 | 295 | 700 | 500 | 312 | 251 | 140 | 370 | 410 | 406 | Φ10 |
| 4.5 | 756 | 925 | 327 | 733 | 570 | 354 | 312 | 157 | 370 | 430 | 406 | Φ12 |
| 5 | 825 | 1040 | 343 | 860 | 625 | 354 | 354 | 175 | 440 | 530 | 480 | Φ12 |
| 5.6 | 916 | 1130 | 384 | 746 | 680 | 390 | 394 | 196 | 380 | 500 | 430 | Φ12 |
| 6 | 980 | 1210 | 408 | 740 | 745 | 420 | 385 | 210 | 375 | 450 | 420 | Φ12 |
| 6.3 | 1017 | 1300 | 432 | 915 | 790 | 440 | 411 | 220 | 480 | 630 | 520 | Φ15 |
| 7.1 | 1202 | 1450 | 522 | 1040 | 880 | 795 | 500 | 252 | 440 | 700 | 490 | Φ15 |
欢迎进入“万通风机”官方网站
Welcome to Wantong Xingfeng official website
![]() |
广州市万通通风设备有限公司 广州市万通通风设备有限公司(注册商标:万通星风)是一家研发、生产、销售、安装通风设备、大气污染防治设备的多元化专业性企业。产品广泛用于:电镀、化工、电子、电气、线路板、机械、电站、电厂、科研、医院、实验室、矿业、冶炼、橡胶、林业、皮革、纸业、陶瓷、模具车间、汽车制造,新能源机械等配套以及各种含有腐蚀性气体的场合。每一个产品都见证了万通的品质,让万通立足全国,走向世界!经过十几年发展“万通星风”已汇聚了一群技术精湛,经验丰富的专业技术人员,引进消化国内外先进技术,是国内拥有自主研发大气污染防治设备、防腐风机能力的厂家。“国际品质、万通打造” 全国服务热线: |
广州总公司
Guangzhou General Corporation
![]() |
销售电话: |
![]() |
官方网址: |
![]() |
电子邮箱:wantongfj@qq.com |
![]() |
![]() |
地址:广州市番禺区沙湾镇动车街33号之二 路线:广州地铁3号线到番禺广场站下,换乘公交车番68路、到古东村总站下。 |
|||
公司地图
Company map
咨询:CF4-72型不锈钢保温风机
* 为必填项
广州市万通通风设备有限公司
销售电话:
ONLINE CONSUL TATION